Information about high temperature heater with oil-/gas burner
Exhaust heat exchanger is built after the turn flame principle. This means that the heat exchanger is especially efficient – about 80% even by extreme high outlet temperatures. 84-86% efficiency using the model with exhaust gas cooler.
Description
The heat exchanger must be mounted with oil-/gas burner – high/low or modulating.
The heat exchangers combustion chamber and first turn chamber are mounted in high heat-resistant forge steel MA 256, convection pipes are mounted in steel pipes quality AISI 321.
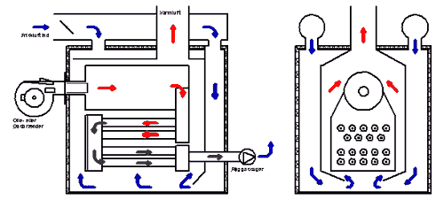
Function
The heat exchanger is built by the turn flame principle. The combustion chamber is fitted the flame geometry, so that you achieve total combustion, before the exhaust is lead through to the convection pipes.
The convection pipes are staggered so that as much as possible touches the process air.
From the convection pipes the exhaust is lead to the exhaust heat exchanger, where the rest of the heat from the combustion and the exhaust are lead through the exhaust ventilator to the chimney. Process air is supplied to the heat exchanger by the exchangers insulated cover. At first it is heated by the exhaust heat exchanger and then lead through the maze of convection pipes, over the combustion chamber and through to the exhaust outlet.
In the exchangers with exhaust cooler, the exhaust is cooled down to about 2000C. To compare the exhaust leaves an exchanger without exhaust cooler with a temperature about 4300C. This will result in a fuel saving of 4-6%.
Technical information
Outlet max.: 1.300 kW/h
Max input: 1.450 kW/h
Fuel: Oil or gas
Exhaust resistant: 24 mm Vs demands exhaust fan
Min. air flow: 9.000 m3/h
Heat load: 18 kW/m2
Overall dimensions: 2,2 x 3,0 x 3,0 m
					
